Proiectare CAD
Conține cerintele clientului către proiectant prin care se care descriu caracteristicile pe care ar trebui să le aibă noul produs.
O specificație începe cu o listă idei și de optiuni, se completează apoi treptat de la descrierea formală la conținut explicit.
Este necesar să intocmească o listă de "motive" și a explica "cum se face" pentru completarea caietului de sarcini, ca anexă separată de documentul principal.
Etape de realizare a caietului de sarcini:
Se denumește proiectul, versiunea și i se dă un cod de produs.
Se definesc:
După completarea tuturor datelor se schițează schemele bloc pentru conformitate și cerințele beneficiarului la finalizarea și predarea proiectului.
Se va face o estimare termen de predare și o evaluare a costurilor de proiectare,
În faza finală a proiectului se pot calcula costurile de realizare în variantele

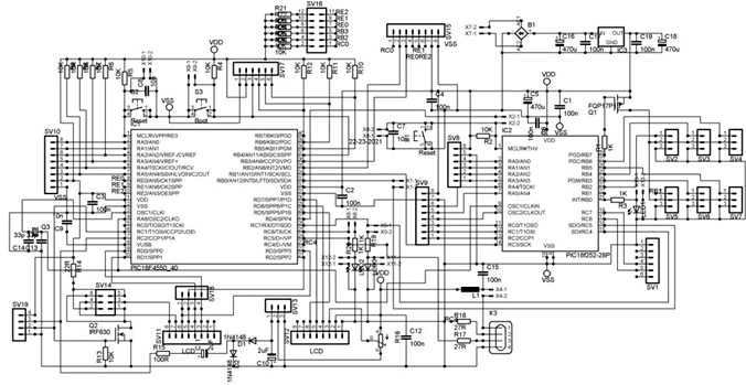
Schema circuitului, numită și schematic sau schema logică, cuprinde harta componentelor electronice și conexiunile dintre acestea în forma cea mai accesibilă de citit și interpretat.
La realizarea acesteia proiectantul trebuie să analizeze parametrii componentelor din foile de catalog în paralel cu amplasarea și asignarea componentelor, conectarea acestora în circuit, respectarea condițiile impuse prin caietul de sarcini, interacțiunea dintre componente (în special timpii și încărcarea), capsulele componentelor, precum și conectarea optimă a pinilor conectorilor, denumirea semnalelor și magistralelor, editarea componentelor în biblioteci, ... Circuitul va începe de multe ori pe hârtie și se finalizează cu proiectarea asistată de calculator (CAD).
EPSICOM utilizează proiectarea în ORCAD.
O schemă a circuitului este un document strict, un proiect unitar ce trebuie să reflecte functionarea și va sta la baza realizării ulterioare a traseelor plăcii (layout) de circuit imprimat.
Schema finală a circuitului, susținută de note și trimiteri dacă este necesar, este principalul document de referință pentru proiectare.

Circuitele și componentele sunt conectate CAD împreună printr-un Net de verificare, modificările la un document trebuie să fie întotdeauna consemnat. Pentru a cauza confuzii și erori, astfel fiecare diagramă poarta numere de versiune și va exista o procedură folosită pentru a preveni neconformitatile. Schema de circuitului contine referințe pentru fiecare componenta de pe placa circuitului imprimat printr-un indicator (de exemplu, "IC5"), precum și numerotarea pinilor pentru fiecare conexiune.

Conexiunile între componente pe structura PCB urmăresc conexiunile din schema circuitului electric, sunt plasate fizic și rutate de către proiectant pentru obținerea celui mai bun rezultat. PCB Layout definește forma fizică finală a circuitului, ale capsulelor, notații, asignari precum și alte detalii ce dau aspectul final.
Când aspectul PCB este complet, fișierul CAD este convertit în fișiere format Gerber la RS274-X folosite de către producătorul de circuite imprimate. Producătorul realizează circuitele în perioada stabilita, dupa care acestea sunt gata de asamblare a prototipurilor.
Dificultatea de a realiza un circuit perfect din prima varianta și dificultățile optimizării de amplasare a componentelor și a traseelor nu va fi apreciată oricum de nimeni.

Pentru prototiparea circuitelor imprimate indicat a se produce 2 module identice, mai degrabă decât unul.
Circuitul prototip este depanat în etape în conformitate cu procedura de testare/depanare, în cazul în care proiectantul a întocmit această procedură conform caietului de sarcini.
După testarea funcționării prototipului hardware urmează depanarea programului pe modulul prototip ("Firmware").
Circuitele prototip cu microprocesor sunt depanate cu codul de diagnosticare scris special, în mai multe etape, funcție de complexitatea proiectului.
Software-ul pentru electronica cuprinde cel mai adesea adesea peste 50% din munca de proiectare a unui produs. Programul este cel care dă funcționalitate microprocesorului, caracteristicile și "strălucirea" produsului electronic, hardware-ul fiind doar corpul pur funcțional al produsului.
Programarea se face de obicei în limbaje "C", asamblare, în timp ce programele care ruleaza pe un PC vor fi scrise în C ++, Java sau alt limbaj. Programarea microcontrolerelor este total diferita de cea de pentru un PC, de obicei "mai detaliată" și mai puțin "generică", pentru că este mult mai strâns legată de hardware-ul pe care ruleaza, trebuie să reacționeze mai rapid, să ruleze în "timp real". Trebuie acordată o mare grijă testării programelor implementate pe produsele electronice întrucât, deși clientii par dispuși să accepte bug-uri în soft-ul Windows ca relativ normale, la echipamente industriale, automotive, aparatură medicală ... sunt inacceptabile.
Firmware-ul poate fi dezvoltat de o echipă separată ce comunică în stadiul de prototip cu proiectanții de circuite, cele două proiecte cuplându-se împreună.
După momentul în care cele două componente sunt integrate și testarea prototipului este completă, proiectul finit este predat clientului.